Überspannungsableiter-Steckdosenleiste SFL-Protector für Datenschränke (19")
2016839
909251
auf Anfrage
je 1 St
Preis und Verfügbarkeit nach Anmeldung
Verfügbarkeit beim Hersteller:
Verpackungseinheiten
| 1 St | Menge übernehmen |
Funktionen
Verkaufsdaten
| Mindestbestellmenge | 1 St |
| Bestellschritt | 1 St |
Beschreibung
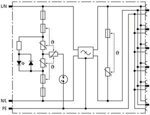
Überspannungsableiter mit Filter SFL-Protector 6X Steckdosenleiste, Typ 3 nach EN 61643-11, mit Überwachungseinrichtung und Abtrennvorrichtung. Erhöhte Sicherheit durch verwechslungssichere Y-Schutzbeschaltung. Steckdosenleiste zum Schutz der Netzversorgung von elektronischen Geräten vor transienten Überspannungen sowie hochfrequenten Störspannungen. Zum Einsatz im Blitz-Schutzzonen-Konzept an den Schnittstellen 1 – 2 und höher.
Merkmale
| Marke | Dehn |
| FEGIME | 2016839 |
| Herstellerbezeichnung | 909251 |
| GTIN / EAN | 4013364132573 |
| Artikelklasse | Geräteüberspannungsschutz für Energietechnik/Stromversorgung |
| Montageart | Steckdosenleiste |
| Gesamtableitstoßstrom (8/20) (L+N-PE) | 5 |
| Höchste Dauerspannung AC | 255 |
| Max. Überstromschutzeinrichtung Stichverdrahtung (Sicherung) | 16 |
| Mit Entstörfilter | Ja |
| Mit Fernmeldekontakt | Nein |
| Nennableitstoßstrom (8/20) (L-N) | 3 |
| Nennlaststrom | 16 |
| Nennspannung AC | 230 |
| Prüfklasse Typ 3 | Ja |
| Schutzart (IP) | IP20 |
| Schutzpegel | 1.6 |
| Signalisierung am Gerät | optisch |
| Zolltarifnummer | 85363010 |
| RoHS-konform | CONFORM |