Überspannungsableiter DEHNgate für 75 Ohm SAT- und BK-Anlagen
2010762
909703
auf Anfrage
je 1 St
Preis und Verfügbarkeit nach Anmeldung
Verfügbarkeit beim Hersteller:
Verpackungseinheiten
| 1 St | Menge übernehmen |
Funktionen
Verkaufsdaten
| Mindestbestellmenge | 1 St |
| Bestellschritt | 1 St |
Beschreibung
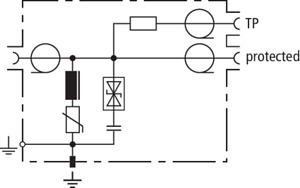
Fernspeisetauglicher Überspannungsableiter mit F-Anschluss für 75 Ohm SAT- und BK-Anlagen. Der Ableiter entspricht den erhöhten Schirmungsanforderungen der Klasse A nach EN 50 083-2. Geeignet für die platzsparende Installation in allen gängigen TV- und SAT-Anwendungen mit integriertem Messausgang zur Anlagenüberprüfung.
Merkmale
| Marke | Dehn |
| FEGIME | 2010762 |
| Herstellerbezeichnung | 909703 |
| GTIN / EAN | 4013364085664 |
| Artikelklasse | Überspannungsableiter für Informations-/MSR-Technik |
| Montageart | Hutschiene TH35 |
| Ableiterüberwachung | Nein |
| Anschluss 1 | F-Connector |
| Anzahl der Leiter (ohne Erde) | 1 |
| Baubreite | 27 |
| Blitzstoßstrom (10/350 µs) | 0.2 |
| Erdung über | Hutschiene |
| Explosionsgeprüfte Ausführung | Nein |
| Frequenz | 5...3000 |
| Höchste Dauerspannung DC | 24 |
| Mit Fernmeldekontakt | Nein |
| Nennableitstoßstrom (8/20) | 1.5 |
| Nennlaststrom | 2 |
| Schutzart (IP) | IP30 |
| Schutzpegel Ader/Signalground | 300 |
| Trennmöglichkeit des Signalkreises | Nein |
| Zolltarifnummer | 85363010 |
| RoHS-konform | CONFORM |