Stecksockel Eing. 230V AC/DC Ausg. 24V-240V AC/1A 6mm grau
7932030
857-718
auf Anfrage
je 100 St
Preis und Verfügbarkeit nach Anmeldung
Verfügbarkeit beim Hersteller:
Verpackungseinheiten
| 1 St | Menge übernehmen |
Funktionen
Verkaufsdaten
| Mindestbestellmenge | 1 St |
| Bestellschritt | 1 St |
Beschreibung
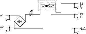
Solid-State-Relaismodul; Eingangsnennspannung AC/DC 230 V; Ausgangsspannungsbereich AC 24 … 240 V; Grenzdauerstrom 2 A; 2-Leiter-Anschluss; nulldurchgangsschaltend; Statusanzeige gelb; 6 mm Baubreite; grau
Merkmale
| Marke | Wago |
| FEGIME | 7932030 |
| Herstellerbezeichnung | 857-718 |
| GTIN / EAN | 4045454835521 |
| Artikelklasse | Optokoppler |
| Art der Ausgangsspannung | AC |
| Art der Eingangsspannung | AC/DC |
| Art des Digitalausgangs | elektronisch |
| Ausgangsspannung | 24...240 |
| Bemessungsbetriebsstrom Ie | 2 |
| Eingangsspannung | 200...253 |
| Mit LED-Anzeige | Ja |
| Zolltarifnummer | 85365005 |
| RoHS-konform | NOT_RELEVANT |