Starter 4-22W Reihen-u.Einzelschaltung
4922415
854083
4050300854083
auf Anfrage
je 1 St
Lieferzeit auf Anfrage
Verfügbarkeit beim Hersteller:
Verpackungseinheiten
| 1 St | Menge übernehmen |
Funktionen
Verkaufsdaten
| Mindestbestellmenge | 1 St |
| Bestellschritt | 1 St |
Beschreibung
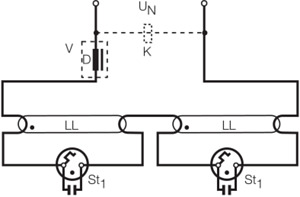
Starter für Reihenschaltung an 230 V AC. Produkteigenschaften: Temperaturbereich für sichere Abschaltung: -20…+80 °C.
Merkmale
| Marke | Ledvance |
| FEGIME | 4922415 |
| Herstellerbezeichnung | ST-151-LONGLIFE/220-240-UNV1 |
| MPN | 854083 |
| GTIN / EAN | 4050300854083 |
| Artikelklasse | Starter für Beleuchtung |
| Geeignet für Lampenleistung | 4...22 |
| Elektronisch | Nein |
| Geeignet für Halogen-Metalldampflampe | Nein |
| Geeignet für Kompaktleuchtstofflampe | Ja |
| Geeignet für Leuchtstofflampe | Ja |
| Geeignet für Natriumdampf-Niederdrucklampe | Nein |
| Schaltung | Tandem |
| Zolltarifnummer | 85365080 |
| RoHS-konform | CONFORM |