Potentialvervielfachungsmodul 4-fac h brückbar
7376125
288-870/000-030
auf Anfrage
je 100 St
Preis und Verfügbarkeit nach Anmeldung
Verfügbarkeit beim Hersteller:
Verpackungseinheiten
| 1 St | Menge übernehmen |
Funktionen
Verkaufsdaten
| Mindestbestellmenge | 1 St |
| Bestellschritt | 1 St |
Beschreibung
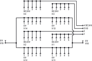
Potentialverteilermodul; 4 Potentiale; mit je 6 Klemmstellen; mit 22 Masseklemmstellen
Merkmale:
Merkmale:
- Einsatz z.B. an elektronischen Schutzschaltern zur Verteilung von DC 24 V und 0 V, als Ersatz für Reihenklemmen
- Mögliche Vorverdrahtung und galvanische Trennung von Strompfaden dank steckbarer picoMAX®-Federleisten
- Schutz gegen Vertauschen von Federleisten durch optionale Kodierstifte 2092-1610
- Leitungszugentlastung durch optionale Griffplatten mit Entriegelungsschieber 2092-1601/002-000 oder 2092-1602/002-000
- Brückungsmöglichkeit der 0V-Speisung auf benachbarte Module mit Brückungskamm 745-682
Merkmale
| Marke | Wago |
| FEGIME | 7376125 |
| Herstellerbezeichnung | 288-870/000-030 |
| GTIN / EAN | 4055143107662 |
| Artikelklasse | Übergabemodul |
| Montageart | Hutschiene TH35 |
| Ausführung elektrischer Anschluss, feldseitig | Federzuganschluss |
| Ausführung elektrischer Anschluss, steuerseitig | sonstige |
| Bemessungsstrom | 10 |
| Breite | 100 |
| Höhe | 85 |
| Tiefe | 49 |
| Zolltarifnummer | 85369010 |
| RoHS-konform | NOT_CONFORM |