Kompakter ÜS-Ableiter für 2 Einzeladern BLITZDUCTORconnect mit Statusanzeige
7708461
927987
auf Anfrage
je 1 St
Preis und Verfügbarkeit nach Anmeldung
Verfügbarkeit beim Hersteller:
Verpackungseinheiten
| 1 St | Menge übernehmen |
Funktionen
Verkaufsdaten
| Mindestbestellmenge | 1 St |
| Bestellschritt | 1 St |
Beschreibung
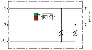
Platzsparender, kompakter Überspannungs-Ableiter in 6 mm Baubreite und Push-In Anschlusstechnik mit Statusanzeige. Fein begrenzender, einstufiger Überspannungsschutz mit leistungsfähigen Dioden zum Schutz von 2 Einzeladern mit gemeinsamen Bezugspotential sowie unsymmetrischer Schnittstellen.
Merkmale
| Marke | Dehn |
| FEGIME | 7708461 |
| Herstellerbezeichnung | 927987 |
| GTIN / EAN | 4013364485754 |
| Artikelklasse | Überspannungsschutzgerät für Energie- u. Informationstechnik |
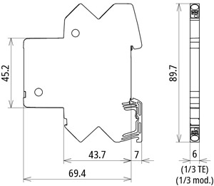
| Montageart | Hutschiene TH35 |
| Ableiterüberwachung | Ja |
| Anschluss 1 | Push-in-Klemme |
| Anzahl der Leiter (ohne Erde) | 2 |
| Baubreite | 6 |
| Blitzstoßstrom (10/350 µs) | 0.4 |
| Erdung über | Hutschiene |
| Explosionsgeprüfte Ausführung | Nein |
| Grenzfrequenz | 0.6 |
| Höchste Dauerspannung AC | 10.6 |
| Höchste Dauerspannung DC | 15 |
| Mit Fernmeldekontakt | Nein |
| Nennableitstoßstrom (8/20) | 3 |
| Nennlaststrom | 10 |
| Nennspannung DC | 12...12 |
| Schutzart (IP) | IP20 |
| Schutzpegel Ader/Ader | 80 |
| Schutzpegel Ader/Erde | 50 |
| Signalisierung am Gerät | optisch |
| Trennmöglichkeit des Signalkreises | Nein |
| Zolltarifnummer | 85363010 |