Inst.Schütz 1S 1Ö 20A 230V
3523023
HS1-230AC/20-11
09980404
auf Anfrage
je 1 St
Preis und Verfügbarkeit nach Anmeldung
Verfügbarkeit beim Hersteller:
Verpackungseinheiten
| 1 St | Menge übernehmen |
Funktionen
Verkaufsdaten
| Mindestbestellmenge | 1 St |
| Bestellschritt | 1 St |
Beschreibung
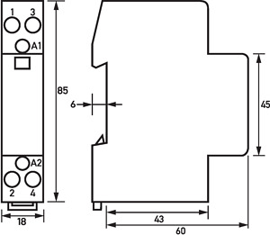
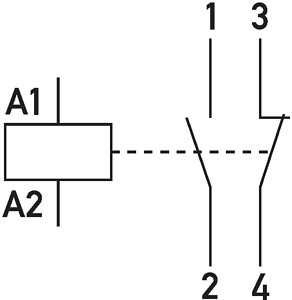
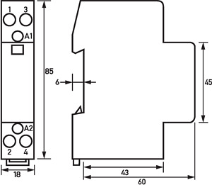
Ein Schütz ist ein elektromagnetisch betätigter Fernschalter für große elektrische Leistungen. Mittels eines geringeren Stromes kann ein größerer Strom geschaltet werden. Sie gewährleisten eine galvanische Trennung zwischen Steuerkreis und geschaltetem Stromkreis. Installationsschütze der Baureihe HS zeichnen sich durch ihre lange mechanische und elektrische Lebensdauer aus. Ihre Magnetspule ist für den Dauerbetrieb (100 % ED) geeignet. Diese brummarme Ausführung eignet sich für den Einsatz in Industrie und Werkstatt. Eigenschaften: großes Spektrum an verschiedenen Kontakten; hohe elektrische und mechanische Lebensdauer; passender Hilfsschalter und Plombierkappe verfügbar; Montageart: Schnellbefestigung auf Tragschiene; Einbaulage: siehe Zeichnung; Einsatzgebiete: Installationsschütze sind vielseitig einsetzbar. Die brummarme Version eignet sich für die Industrie und für Werkstätten, während die brummfreie Version für Hotels, Büroräume und für Wohnbereiche verwendet wird. Sie übernehmen das Schalten von Glühlampen, Leuchtstofflampen, Transformatoren für Halogen-Niedervoltlampen, Quecksilberdampf-Hochdrucklampen (HQL, HPL), Metallhalogenlampen (HQI, HPI), Natriumdampf-, Nieder- u. Hochdrucklampen, Speicheröfen oder Antrieben (Motoren). Hinweise: Die Bezeichnung der Geräte dieser Baureihe beinhaltet sowohl den Bemessungsstrom (erstes Zahlenpaar) als auch die Kontaktausführung (letztes Zahlenpaar): Ein HS 25-31 hat z. B. einen Bemessungsstrom von 25 A. drei Schließer- und einen Öffnerkontakt; Bei Umgebungstemperaturen ab 40 GradC empfiehlt sich der Einsatz des Distanzstücks DHDS; Die Schütze HS 1 sind 1 TE breit und entsprechend die HS 2 bzw. HS 3 dann 2 TE bzw. 3 TE breit. .
Merkmale
| Marke | Doepke |
| FEGIME | 3523023 |
| Herstellerbezeichnung | HS1-230AC/20-11 |
| MPN | 09980404 |
| GTIN / EAN | 4014712067066 |
| Artikelklasse | Installationsschütz für Reiheneinbau |
| Anzahl der Kontakte als Schließer | 1 |
| Anzahl der Kontakte als Öffner | 1 |
| Bemessungsbetriebsspannung | 400...400 |
| Bemessungsbetriebsstrom | 20 |
| Bemessungsbetätigungsspannung | 230...230 |
| Breite in Teilungseinheiten | 1 |
| Brummfrei | Nein |
| Einbautiefe | 60 |
| Max. Glühlampenlast | 2160 |
| Max. Leuchtstofflampenlast | 935 |
| Max. Leuchtstofflampenlast (Duo-Schaltung) | 2320 |
| Max. Leuchtstofflampenlast (parallel kompensiert) | 1020 |
| Mit Tag-/Nachtfunktion | Nein |
| Schieber für Handschaltung | Nein |
| Schutzart (IP) | IP20 |
| Spannungsart der Betriebsspannung | AC |
| Spannungsart der Betätigungsspannung | AC |
| Zusatzeinrichtungen möglich | Nein |
| Gebrauchskategorie nach EN IEC 60947-4-1 | AC-3 |
| Zolltarifnummer | 85364900 |
| RoHS-konform | CONFORM |